Меню
щоденно з 8.00 до 18.00 Замовити дзвінок
Дніпро, вул. Ярмарковий узвіз 17
Наша адреса:
Дніпро, вул. Ярмарковий узвіз 17

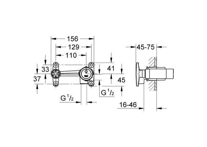
Внутрішня частина змішувача Grohe 32635000

Опис

Внутрішня частина змішувача Grohe 32635000 є універсальною частиною для змішувачів прихованого монтажу раковини і ванни. Внутрішня частина виготовлена з високоякісної зносостійкої латуні та прослужить довгі роки.

Комплектація

Внутрішня частина змішувача, кріпильні деталі.

Фірмові технології

GROHE SilkMove - плавність ходу важеля.

Зверніть увагу!

Виробник залишає за собою право вносити зміни в конструкцію виробів і деталей, що не погіршують якість виробу, без попереднього повідомлення.

Характеристики
Характеристики
Артикул 32635000
Бренд Grohe
Вага брутто, кг 1,235
Вага нетто, кг 1,085
Вид монтажу Прихований
Висота виробу, мм 85
Витрата води, л/хв До 13
Внутрішня частина в комплекті Так
Габарити упаковки, мм 160х160х160
Гарантія 10 років
Діамерт підключення 1/2"
Діаметр картриджа 35
Діаметр підключення 1/2"
Довжина виробу, мм 75
Додаткові характеристики Для змішувача на 2 отвори. Без комплекту верхньої монтажної частини. Глибина монтажу 45-75 мм. Одноважільний убудовний універсальний механізм.
Кількість вантажних місць 1
Країна реєстрації бренду Німеччина
Країна-виробник Німеччина
Матеріал Латунь
Механізм змішування Картридж
Навність термостата Ні
Призначення Для ванни
Робочий тиск, bar До 3
Тип виробу Внутрішня частина змішувача
Тип керування Одноважільний
Тип управління Одноважільний
Ширина виробу, мм 155
  • Нет в наличии
  • Модель: SD00025874
  • Бренд: Grohe
delivery
Доставка

Новой Почтой

Justin

Укрпочта - при 100% предоплате

Delivery - при 100% предоплате

Самовывоз (г. Днепр)

payment
Оплата

Оплата на карту ПриватБанк, Monobank

Наложенный платеж

Безналичный расчет для юридических лиц

warranty
Гарантия

Вся продукция высочайшего качества

Предоставляем гарантию от поставщика

Відгуків0
0/ 5
середній рейтинг товара
0
0
0
0
0
Немає відгуків про цей товар.
Вас також може зацікавити
Нещодавно переглянуте