Меню
ежедневно c 8.00 до 18.00 Заказать звонок
Днепр, ул. Ярмарочный спуск 17
Наш адрес:
Днепр, ул. Ярмарочный спуск 17

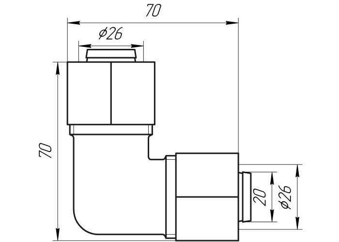
Уголок промежуточный APE ITALY 751 L 26x26

Уголок промежуточный APE ITALY 751 L 26x26
Страна производитель – Италия
Производитель - APE Raccorderie
Материал корпуса - никелированная латунь
Диапазон температур: от -25 ° C до 120 ° C
Рабочее давление: 16 бар макс.
Габариты : 26*26 на 26 металлопластиковую трубу
Вес нетто: 325г

Углы промежуточные серии 751 L были спроектированы и реализованы для оказания помощи установщику, сокращая время на монтаж и увеличивая характеристики стойкости во времени. Кроме того, данная серия фитингов не требует особых инструментов для монтажа Стойкость крепления между трубой и фитингом гарантируется одновременным наличием двух уплотнительных колец (2), расположенных в елочке (6 )и особой, противоскользящей, формой самой елочки (в виде зубов пилы). Крепление трубы происходит за счет особого вида прессования, состоящего из радиального прессования, полученного за счет завинчивания гайки (7 )которая определяет сжатие разрезанной оживальной части ( 5) вокруг трубы и осевого прессования, которое сжимает уплотнительное кольцо (4) на корпусе. Подобная система прессования гарантирует стойкость полученного соединения в любых условиях работы. Кроме того, работая на латуни в прессовании, исключаются риски возникновения микротрещин. Наличие шайбы (3) из PTFE изолирует алюминий трубы от латуни фитинга для избегания возникновения коррозийных эффектов

Преимущества резьбовых углов промежуточных APE:
-Исключительное итальянское качество, проверенное временем
-Простота монтажа
-Высокие эксплуатационные свойства
-Герметичность и надежность соединения исключает риск возникновения протечек
-отсутствие необходимости в использовании дорогостоящего оборудования при их монтаже
-устойчивость к внешнему воздействию и перепадам температур, морозостойкость

  • Нет в наличии
  • Модель: 864
  • Производитель: APE
delivery
Доставка

Новой Почтой

Justin

Укрпочта - при 100% предоплате

Delivery - при 100% предоплате

Самовывоз (г. Днепр)

payment
Оплата

Оплата на карту ПриватБанк, Monobank

Наложенный платеж

Безналичный расчет для юридических лиц

warranty
Гарантия

Вся продукция высочайшего качества

Предоставляем гарантию от поставщика

Отзывов0
0/ 5
средний рейтинг товара
0
0
0
0
0
Нет отзывов о данном товаре.
Вас могут заинтересовать
Недавно просмотренное