Меню
ежедневно c 8.00 до 18.00 Заказать звонок
Днепр, ул. Ярмарочный спуск 17
Наш адрес:
Днепр, ул. Ярмарочный спуск 17

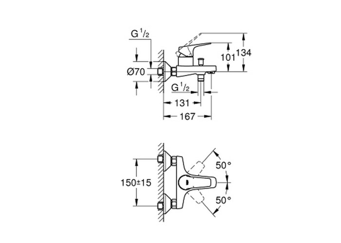
Смеситель для ванны Grohe BauEdge 23756000

Описание

Смеситель для ванны Grohe BauEdge 23756000 выполнен из латуни и имеет хромированную сияющую поверхность, которая устойчива к образованию коррозии, загрязнениям и истиранию. Вышеперечисленные характеристики изделия гарантируют его долговечность. Для включения подачи воды смеситель оснащен удобным рычагом с нанесенной маркировкой Х+Г воды, а для переключения на душ - вытяжным дивертором и выходом для подключения душевого шланга. Круглые розетки скроют погрешности настенного монтажа.

Комплектация

Смеситель, крепежи.

Фирменные технологии

GROHE StarLight - хромированное покрытие. GROHE Longlife - плавность хода рычага.

Обратите внимание!

Производитель оставляет за собой право вносить изменения в конструкцию изделий и комплектацию, не ухудшающих качество, без предварительного уведомления.

Характеристики
Характеристики
Артикул 23756000
Бренд Grohe
Вес брутто 1, кг 2,15
Вес нетто, кг 1,8
Вид монтажа Настенный
Высота изделия, мм 136
Габариты упаковки 1, мм 160х175х180
Гарантия 60 месяцев
Диаметр картриджа, мм 46
Диаметр подключения шлангов 1/2"
Длина изделия, мм 180
Длина излива, мм 167
Дополнительные характеристики Регулировка расхода воды. Встроенный запорный клапан. Защита от обратного потока. Cкрытые S-образные эксцентрики. Декоративные розетки из металла.
Душевой гарнитур в комплекте Нет
Количество грузовых мест 1
Количество отверстий для монтажа 2
Количество режимов струи Нет
Комплектация Смеситель, крепежи.
Материал Латунь
Механизм смешивания Картридж
Назначение Для ванны
Поверхность Глянцевая
Рабочее давление, bar До 3
Расход воды, л/мин До 13
Серия BauEdge
Страна регистрации бренда Германия
Страна-производитель Таиланд
Тип изделия Смеситель
Тип излива Литой
Тип управления Однорычажный
Цвет Хром
Ширина изделия, мм 220
  • Нет в наличии
  • Модель: SD00045820
  • Производитель: Grohe
delivery
Доставка

Новой Почтой

Justin

Укрпочта - при 100% предоплате

Delivery - при 100% предоплате

Самовывоз (г. Днепр)

payment
Оплата

Оплата на карту ПриватБанк, Monobank

Наложенный платеж

Безналичный расчет для юридических лиц

warranty
Гарантия

Вся продукция высочайшего качества

Предоставляем гарантию от поставщика

Отзывов0
0/ 5
средний рейтинг товара
0
0
0
0
0
Нет отзывов о данном товаре.
Вас могут заинтересовать