Меню
ежедневно c 8.00 до 18.00 Заказать звонок
Днепр, ул. Ярмарочный спуск 17
Наш адрес:
Днепр, ул. Ярмарочный спуск 17

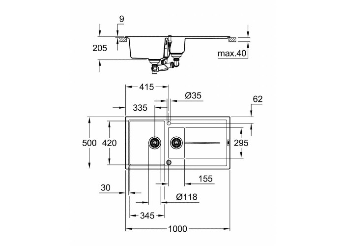
Кухонная мойка Grohe Sink K400 31642AP0

Описание

Кухонная мойка Grohe Sink 31642AP0 изготовлена из кварцевого композита, который состоит из 80% кварца и 20% акриловой смолы и отвердителя. Благодаря системе GROHE QuickFix установка мойки не займет много времени и не потребует дополнительного оборудования. Мойка выполнена с рабочей чашей, дополнительной для разморозки продуктов, отверстием под смеситель и крылом для сушки посуды. Изоляция GROHE Whisper на нижней части мойки уменьшает шум, есть автоматический мусоросборник.

Комплектация

Мойка, сифон, клапан-автомат, сливной гарнитур, корзинчатый вентиль, монтажный набор.

Фирменные технологии

GROHE Whisper - тихая работа изделий. GROHE QuickFix - удобный монтаж.

Обратите внимание!

Производитель оставляет за собой право вносить изменения в конструкцию изделий и деталей, не ухудшающих качество изделия, без предварительного уведомления.

Характеристики
Характеристики
Артикул 31642AP0
Бренд Grohe
Вес брутто, кг 21,7
Вес нетто, кг 19,7
Вид монтажа Врезной
Высота изделия, мм 205
Габариты упаковки, мм 225х1020х520
Габариты чаши 1 (ВхШхД) 205х335х420
Габариты чаши 2 (ВхШхД) 146х155х295
Гарантия 60 месяцев
Диаметр слива, мм 90
Длина изделия, мм 1000
Дополнительные характеристики Корзинчатый вентиль: корзинка Ø 3.5"/90 мм. Отверстие для установки: 980х480 мм.
Количество грузовых мест 1
Количество дополнительных чаш 1
Количество основных чаш 1
Материал Искусственный камень
Минимальная ширина шкафа, мм 600
Наличие донного клапана Есть
Наличие крыла Есть
Наличие перелива Есть
Наличие сифона Есть
Отверстие под смеситель Есть
Поверхность Матовая
Расположение крыла Универсальное
Серия K400
Страна регистрации бренда Германия
Страна-производитель Индия
Тип изделия Кухонная мойка
Толщина материала, мм 0,7
Форма Прямоугольная
Цвет Черный
Ширина изделия, мм 500
  • Нет в наличии
  • Модель: SD00036712
  • Производитель: Grohe
delivery
Доставка

Новой Почтой

Justin

Укрпочта - при 100% предоплате

Delivery - при 100% предоплате

Самовывоз (г. Днепр)

payment
Оплата

Оплата на карту ПриватБанк, Monobank

Наложенный платеж

Безналичный расчет для юридических лиц

warranty
Гарантия

Вся продукция высочайшего качества

Предоставляем гарантию от поставщика

Отзывов0
0/ 5
средний рейтинг товара
0
0
0
0
0
Нет отзывов о данном товаре.
Вас могут заинтересовать
Недавно просмотренное