Меню
щоденно з 8.00 до 18.00 Замовити дзвінок
Дніпро, вул. Ярмарковий узвіз 17
Наша адреса:
Дніпро, вул. Ярмарковий узвіз 17

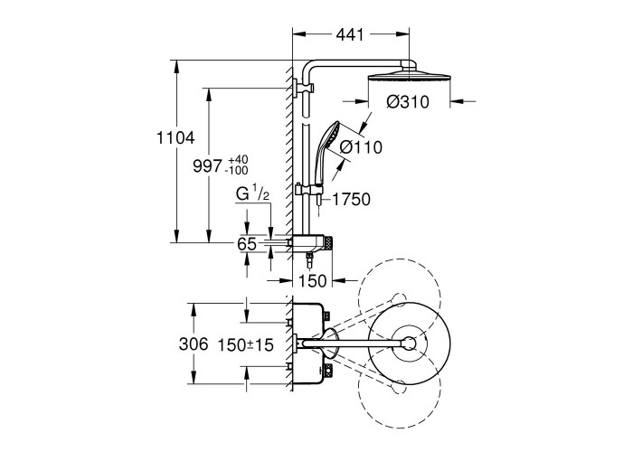
Душова система Grohe Euphoria SmartControl 26507000

Опис

Душова система Grohe Euphoria SmartControl 26507000 має оптимальний розподіл води й забезпечує максимальну зручність гігієнічних процедур. Вона складається з душової стійки з верхнім і ручним душем, а також зручного змішувача. Якісне хромоване покриття гарантує довговічність і зносостійкість. Термостатичний змішувач забезпечить автоматичний контроль змішування води.

Комплектація

Змішувач, кронштейн для верхнього душу, лійка для верхнього душу, кронштейн для ручного душу, лійка для ручного душу, душовий шланг, душова стійка, кріпильні деталі.

Фірмові технології

GROHE DreamSpray - оптимальний розподіл води по кожній душовій форсунці. GROHE StarLight - хромоване покриття. GROHE CoolTouch - захист від опіків об поверхню виробів. GROHE TurboStat - забезпечення і підтримання температури води. GROHE EcoJoy - водозберігаюча технологія. GROHE SafeStop - обмеження температури води до 38 °C. GROHE SmartControl - увімкнення-вимкнення та регулювання тиску. GROHE SpeedClean - запобігання утворенню вапняних відкладень. GROHE Twistfree - не скручуються шланги.

Зверніть увагу!

Виробник залишає за собою право вносити зміни в конструкцію виробів і деталей, що не погіршують якість виробу, без попереднього повідомлення.

Характеристики
Характеристики
Артикул 26507000
Бренд Grohe
Вага брутто, кг 10
Вага нетто, кг 8,93
Вид монтажу Настінний
Висота душової стойки, мм 997
Габарити виробу (ВхШхД), мм 1104х310х596
Габарити виробу (ВхШхД), мм 1104х310х596
Габарити упаковки, мм 150х375х1150
Гарантія 60 місяців
Діаметр лійки, мм Ручний душ: 110. Верхній душ: 310
Довжина кронштейна для верхнього душу, мм 440
Довжина шланга, мм 1750
Кількість вантажних місць 1
Кількість режимів переключення лійки Ручний душ: 3. верхній душ: 2
Кількість режимів перемикання лійки Ручний душ: 3. Верхній душ: 2
Кількість споживачів 2
Колір Хром
Країна реєстрації бренду Німеччина
Країна-виробник Німеччина
Матеріал Латунь / ABS пластик
Механізм змішування Картридж термостатичний
Поверхня Глянцева
Робочий тиск, bar До 3
Серія Euphoria SmartControl
Система запобігання скручування шланга Є
Тип виробу Душова система
Тип керування Вентильний
Тип управління Вентильний
Форма лейки Ручний душ: кругла. Верхній душ: кругла
  • Нет в наличии
  • Модель: SD00033152
  • Бренд: Grohe
delivery
Доставка

Новой Почтой

Justin

Укрпочта - при 100% предоплате

Delivery - при 100% предоплате

Самовывоз (г. Днепр)

payment
Оплата

Оплата на карту ПриватБанк, Monobank

Наложенный платеж

Безналичный расчет для юридических лиц

warranty
Гарантия

Вся продукция высочайшего качества

Предоставляем гарантию от поставщика

Відгуків0
0/ 5
середній рейтинг товара
0
0
0
0
0
Немає відгуків про цей товар.
Вас також може зацікавити
0
54 180 грн.
0
57 540 грн.
0
8 719 грн.
0
8 807 грн.
Нещодавно переглянуте